Page 138 - Window and Door Hardware Catalog
P. 138
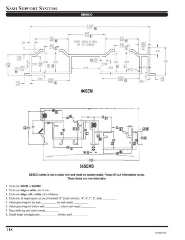
SaSh Support SyStemS
SEMCO
86SEM
86SEMD
SEMCO series is not a stock item and must be custom made. Please fill out information below.
These items are non-returnable.
1. Circle one: 86SEM or 86SEMD
2. Circle one: beige or white color of liner
3. Circle one: beige, mill or white color of balance
4. Circle one: sill angle-square cut (recommended) 15° (most common), 14°, 9°, 7°, 5°, other ___________
5. Visible glass height of top sash ___________, top sash weight ___________
6. Visible glass height of bottom sash ___________, bottom sash weight ___________
7. Glass width (top and bottom same)___________
8. Overall length to longest point______________ shortest point ____________
138
© 2023 PGI.

